
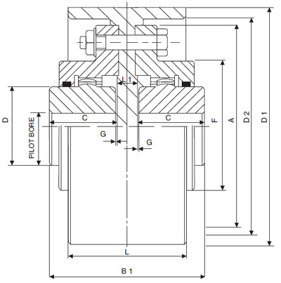
| NU-Teck G.C. No. |
Max. Torque Kgm. |
Pilot Bore |
Dimension In mm | |||||||||
| D1 | D2 | L | L1 | B1 | A | C | D | F | G | |||
| G.C. 100 - 150 - FBD | 150 | 130 | 80 | 15 | 110 | 120 | 45 | 50 | 75 | 1.5 | ||
| G.C. 101 - 200 - FBD | 100 | 20 | 200 | 180 | 100 | 17 | 130 | 170 | 55 | 65 | 110 | 1.5 |
| G.C. 101 - 250 - FBD | 100 | 20 | 250 | 224 | 100 | 17 | 130 | 170 | 55 | 65 | 110 | 1.5 |
| G.C. 102 - 250 - FBD | 250 | 30 | 250 | 224 | 100 | 17 | 160 | 185 | 70 | 85 | 125 | 1.5 |
| G.C. 103 - 250 - FBD | 450 | 40 | 250 | 224 | 100 | 20 | 193 | 220 | 85 | 105 | 150 | 1.5 |
| G.C. 103 - 300 - FBD | 450 | 40 | 300 | 276 | 150 | 20 | 193 | 220 | 85 | 105 | 150 | 1.5 |
| G.C. 104 - 300 - FBD | 850 | 50 | 300 | 276 | 150 | 20 | 235 | 250 | 105 | 130 | 175 | 2.5 |
| G.C. 105 - 330 - FBD | 1300 | 60 | 330 | 300 | 150 | 25 | 253 | 290 | 110 | 155 | 200 | 4 |
| G.C. 105 - 500 - FBD | 1300 | 60 | 500 | 470 | 250 | 25 | 253 | 290 | 110 | 155 | 200 | 4 |