
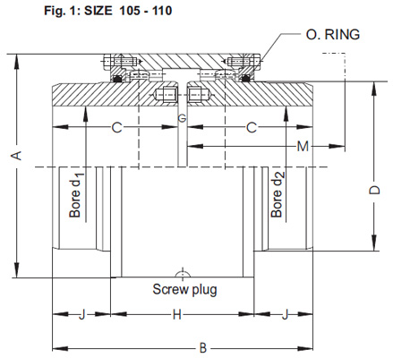
| Common for both Couplings | ||||||||||||
| NU-TECK NO. |
H.P. Capacity at 100 R. P. M. |
Max. R. P. M. |
Bore Min. d1 |
Bore Max. |
A | B | C | D | G | H | J | M |
| CSGC-100 | 7 | 8000 | 10 | 32 | 80 | 93 | 45 | 50 | 3 | 57 | 18 | 75 |
| CSGC-101 | 14 | 6300 | 20 | 45 | 110 | 115 | 55 | 65 | 5 | 70 | 22.5 | 90 |
| CSGC-102 | 35 | 5000 | 30 | 60 | 125 | 145 | 70 | 85 | 5 | 76 | 34.5 | 100 |
| CSGC-103 | 63 | 4000 | 40 | 75 | 160 | 175 | 85 | 105 | 5 | 100 | 37.5 | 130 |
| CSGC-104 | 119 | 3350 | 50 | 90 | 185 | 215 | 105 | 130 | 5 | 110 | 52.5 | 150 |
| CSGC-105 | 182 | 2800 | 60 | 110 | 210 | 230 | 110 | 155 | 10 | 122 | 54 | 160 |
| CSGC-106 | 280 | 2500 | 75 | 125 | 240 | 260 | 125 | 175 | 10 | 142 | 59 | 190 |
| CSGC-107 | 490 | 2100 | 90 | 140 | 270 | 290 | 140 | 205 | 10 | 166 | 62 | 220 |
| CSGC-108 | 630 | 1900 | 105 | 160 | 300 | 320 | 155 | 230 | 10 | 176 | 72 | 240 |
| CSGC-109 | 780 | 1700 | 125 | 180 | 340 | 340 | 165 | 250 | 10 | 180 | 80 | 240 |
| CSGC-110 | 1150 | 1400 | 140 | 220 | 400 | 370 | 180 | 310 | 10 | 200 | 85 | 270 |
| Service Factor | Primer Mover | ||
| Driven Unit (Machinery) |
Electric Motor or Steam Turbine |
Gasoline or Diesel Engine 4 or mor cyl. |
Gasoline or Diesel Engine, more then 6 cyl. |
LIGHT :
|
1.0 | 1.5 | 2.0 |
MODERATE :
|
1.5 | 2.0 | 2.5 |
HEAVY :
|
2.0 | 2.5 | 3.0 |